Vacanze aziendali dal 25 dicembre 2025 al 04 gennaio 2026
Saremo nuovamente a vostra disposizione a partire dal 05 gennaio 2026. Vi auguriamo un periodo festivo e un buon inizio del nuovo anno! Il vostro team Feller SA
Resi9 CX
La soluzione ottimale per il multimedia nella distribuzione per piani e, grazie alle piastre multimedia a griglia e agli innovativi componenti di fissaggio, è possibile installare rapidamente i dispositivi multimediali.
Selezione dei prodotti
Resi9 CX multimedia con accessori
[{"item_id":null,"item_name":"Resi9 CX Multimedia 13 TE","item_brand":"Feller","item_list_name":"Resi9 CX Multimedia 13 TE","item_list_id":"","item_category":"Catalogo Online","item_category2":"","item_variant":""},{"item_id":null,"item_name":"Resi9 CX Multimedia 18 TE","item_brand":"Feller","item_list_name":"Resi9 CX Multimedia 18 TE","item_list_id":"","item_category":"Catalogo Online","item_category2":"","item_variant":""},{"item_id":null,"item_name":"Accessori componenti fissaggio","item_brand":"Feller","item_list_name":"Accessori componenti fissaggio","item_list_id":"","item_category":"Catalogo Online","item_category2":"","item_variant":""},{"item_id":null,"item_name":"Accessori alimentazione distributore multimediale","item_brand":"Feller","item_list_name":"Accessori alimentazione distributore multimediale","item_list_id":"","item_category":"Catalogo Online","item_category2":"","item_variant":""}]
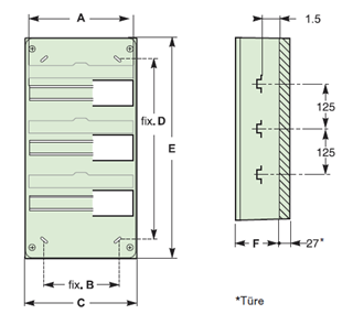
Resi9 CX Multimedia 13 TE
- Colore: bianco segnale (RAL 9003)
- Modulare, combinabile verticalmente e orizzontalmente a Resi9 CX supplementare
- Gli sportelli sono ordinabili come componenti (sportello pieno, sportello con vetro, sportelli a specchio e sportelli «Style Pratic» con superficie magnetica)
Dotazione:
Resi9 CX Multimedia 13 TE (252x500x112 mm)
Guida DIN
FixBox (2 x)
FixScrew (2 x)
FixCable (4 x)
Resi9 CX Multimedia 18 TE
- Colore: bianco segnale (RAL 9003)
- Modulare, combinabile verticalmente e orizzontalmente a Resi9 CX supplementare
- Gli sportelli sono ordinabili come componenti (sportello pieno, sportello con vetro, sportelli a specchio e sportelli «Style Pratic» con superficie magnetica)
Dotazione:
Resi9 CX Multimedia 18 TE (355x500x112 mm)
Guida DIN
FixBox (2 x)
FixScrew (2 x)
FixCable (6 x)
Accessori alimentazione distributore multimediale
- Presa FLF
- Modulo di raccordo REG EASYNET
- Scatola da incasso per dispositivi FLF
Resi9 CX 13 moduli per fila
Informazioni sui prodotti
- Colore: bianco segnale (RAL 9003)
- Modulare, combinabile verticalmente e orizzontalmente a Resi9 CX supplementare
- Gli sportelli sono ordinabili come componenti (sportello pieno, sportello con vetro, sportelli a specchio e sportelli «Style Pratic» con superficie magnetica)
- Distributore montabile con piastra isolante (versione standard o «Plus» con perforazioni per cablaggio)
Norme (*)
- Testato ai sensi di: IEC 60670-1 e 24
- Classe di protezione: isolamento completo classe II ai sensi di EN 61439-3
- Grado di protezione: IP30 ai sensi di IEC 60529 (senza sportelli)
- IP40 ai sensi di IEC 60529 (con sportelli)
(*) Prospetto completo sulla scheda di sicurezza corrispondente
Resi9 CX 18 moduli per fila
Informazioni sui prodotti
- Colore: bianco segnale (RAL 9003)
- Modulare, combinabile verticalmente e orizzontalmente a Resi9 CX supplementare
- Morsetto di messa a terra in dotazione
- Gli sportelli sono ordinabili come componenti (sportello pieno, sportello con vetro, sportelli a specchio e sportelli «Style Pratic» con superficie magnetica)
- Distributore montabile con piastra isolante (versione standard o «Plus» con perforazioni per cablaggio)
Norme (*)
- Testato ai sensi di: IEC 60670-1 e 24
- Classe di protezione: isolamento completo classe II ai sensi di EN 61439-3
- Grado di protezione: IP30 ai sensi di IEC 60529 (senza sportelli)
- IP40 ai sensi di IEC 60529 (con sportelli)
(*) Prospetto completo sulla scheda di sicurezza corrispondente
Resi9 CX porte
Informazioni sui prodotti
Versioni:
- Sportello pieno
- Sportello con vetro
- Sportelli a specchio
- Sportelli «Style Pratic» con superficie magnetica
- Sportello «You» con stampa specifica per il cliente
- Gli sportelli sono dotati di dispositivi di chiusura magnetici
- Ricambi, come cerniere e dispositivi di chiusura, disponibili separatamente
Norme (*)
- IP40 ai sensi di IEC 60529
- IK08 ai sensi diIEC 62262
(*) Prospetto completo sulla scheda di sicurezza corrispondente